

|
Optional Versions ? |
Default |
.NM |
.HV |
.UHV |
|
|
|
|
.NM, Absolutely non-magnetic version; .HV, High vacuum version; .UHV, Ultra high vacuum version; |
|||||
|
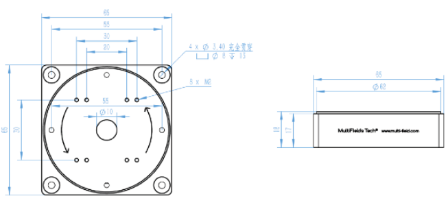
1 Bottom size*height |
65 × 65 mm × 12 mm |
|||||
|
2 Main Material |
Stainless Steel |
Pure Ti |
Stainless Steel |
Stainless Steel |
||
|
3 Cables & Connectors |
Standard shielded cable D-Sub 9 Connector |
Kapton enameled Wire, PEEK-2mm Pin |
||||
|
Motion parameters - space recommended mounting form I. (The following properties are measured in the recommended installation form) |
||||||
|
4 Travel |
Continuous |
|||||
|
5 MAX. Velocity |
~ 15 °/s |
|||||
|
6 Min. Step |
3 urad |
|||||
|
7 Drive Frequency |
Max. 20 kHz (Super quiet movement) |
|||||
|
8 Maximum load |
0.1 kg |
|||||
|
9 Self-locking force |
10 N*mm |
|||||
|
10 Driving torque |
7 N*mm |
|||||
|
11 Rotating disk |
dia-50 mm |
|||||
|
Sensing accuracy |
||||||
|
12 Position Sensing Type |
- Resistance type sensing ( .R ) - Optical scale sensing ( .O ) |
|||||
|
13 Position sensing range |
0.75 urad |
|||||
|
14 Position sensing resolution |
- Resistance type sensing ( .R ), 100-200 nm - Optical scale sensing ( .O ), 10 nm ( default ),1nm ( option ) |
|||||
